STM32简介
STM32是ST公司基于ARM Cortex-M内核开发的32位微控制器。
STM32常应用在嵌入式领域,如智能车、无人机、机器人、无线通信、物联网、工业控制、娱乐电子产品等。
STM32功能强大、性能优异、片上资源丰富、功耗低,是一款经典的嵌入式微控制器

ARM:
ARM既指ARM公司,也指ARM处理器内核。ARM公司是全球领先的半导体知识产权(IP)提供商,全世界超过95%的智能手机和平板电脑都采用ARM架构。•ARM公司设计ARM内核,半导体厂商完善内核周边电路并生产芯片。

STM32F103C8T6
系列:主流系列STM32F1
内核︰ARM Cortex-M3
主频:72MHz
RAM :20K (SRAM)
ROM∶64K (Flash)
供电∶2.0~3.6V(标准3.3V)
封装:LQFP48

STM片上资源/外设

命名规则

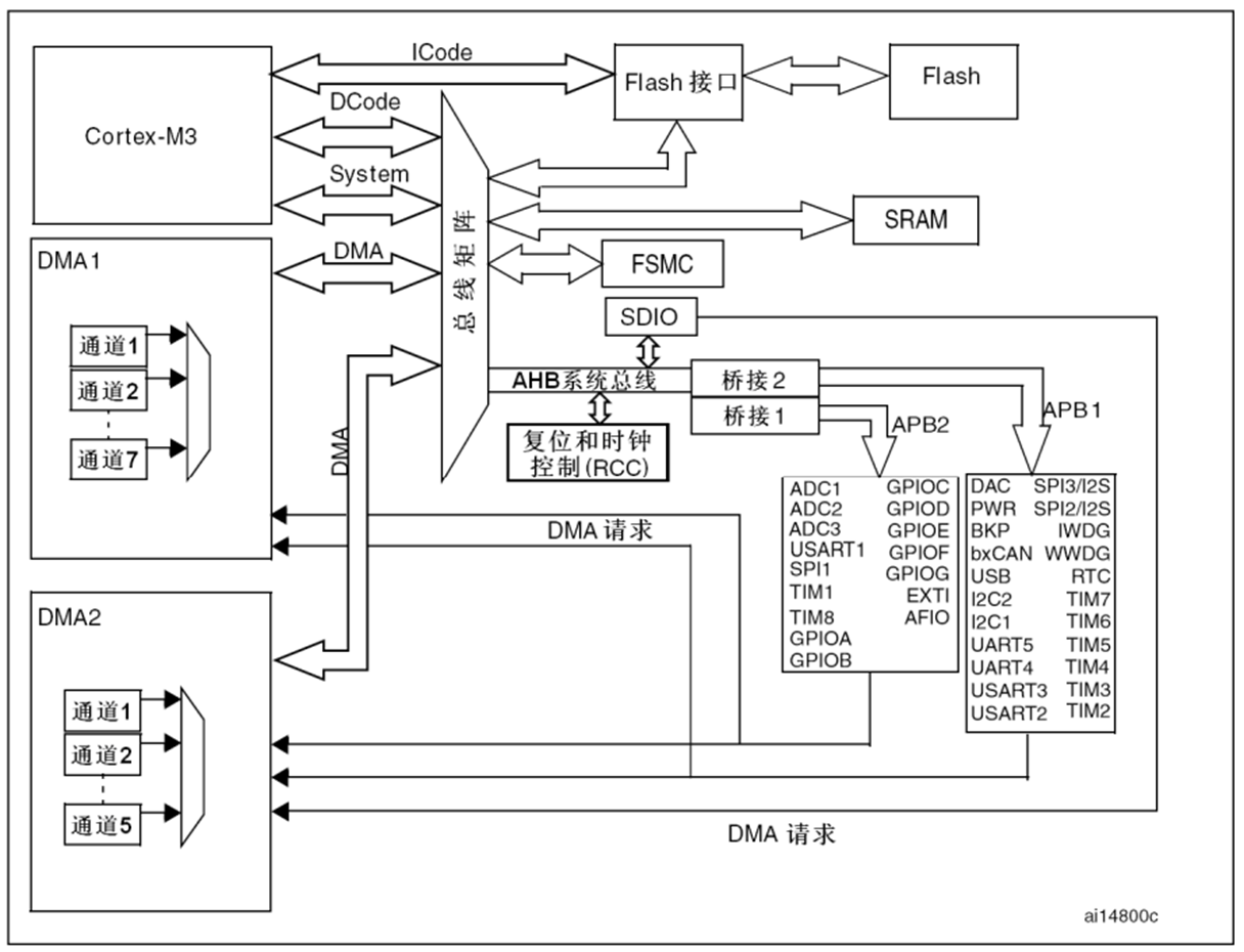
系统结构

引脚定义:

启动配置

最小系统电路

软件安装:
安装Keil5 MDK:安装Ulink调试器。
安装器件支持包:从Keil5开始,器件支持包分别安装。可以在线安装,也可以离线安装。
软件注册
安装STLINK驱动:Keil5安装目录下ARM\STlink\USBDriver文件夹下,dpinst_amd64.exe文件点击安装。
安装USB转串口驱动:


OLED简介
OLED(Organic Light Emitting Diode):有机发光二极管。
OLED显示屏:性能优异的新型显示屏,具有功耗低、相应速度快、宽视角、轻薄柔韧等特点。
0.96寸OLED模块:小巧玲珑、占用接口少、简单易用,是电子设计中非常常见的显示屏模块。
供电:3~5.5V,通信协议:I2C/SPI,分辨率:128*64。

硬件电路

OLED驱动函数


硬件电路

调试方式
串口调试:通过串口通信,将调试信息发送到电脑端,电脑使用串口助手显示调试信息。
显示屏调试:直接将显示屏连接到单片机,将调试信息打印在显示屏上。
https://www.bilibili.com/video/BV1th411z7sn?p=2&vd_source=e1e965c6d34ccad0cc6841ecb58eb4a5